• Info
  • Details
  • Q&A
  • Contact
  • Recommended
Send InquiryShare with Friends 供应 Home 供应 Categories Switch Channel
1/5
Kobelion II-SG Air Compressorͼ1

Kobelion II-SG Air Compressor

2018-03-07 16:319390 Inquiries
Price Negotiable
Delivery MalaysiaSelangorSubang Jaya
Brand KOBELCO
Insufficient stock for this product
Product Details

O O Maximum level of discharge volume in this range all over the world
O O
New type of Kobelion's screw unit installed
O
O
Load/Unload control
O
- Energy saving logic function
O
O
High performance Suction Filter
O
O
Large scale Dust Filter
O O
Optimal sizing of discharge pipe
O O
No belt structure
O
O
Inverter cooling fan *
O O
Energy saving design of built-in dryer's drain solenoid valve
O -
Two-unit alternate operation function of new type of electronic monitor
O O
Electric terminal for group control operation
* 55,75kW machine only


Achieved the discharge volume by maximum 21% increase in the world's best level
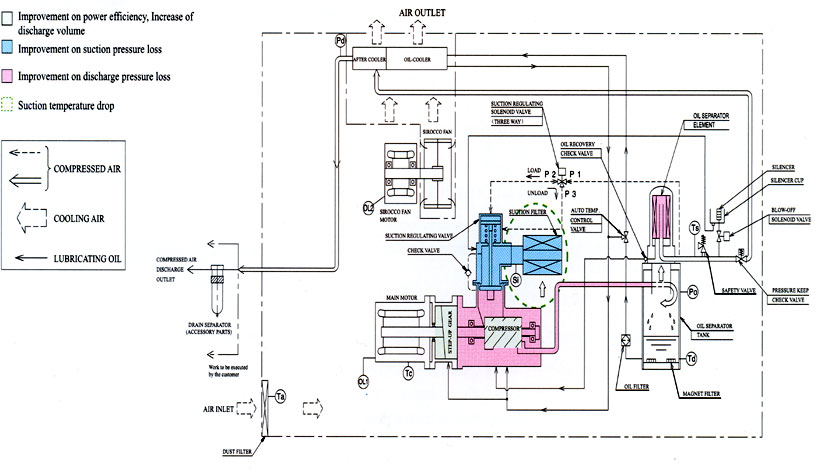
Achieved the Discharge Volume overcoming the ones of competitors in all models in the class by installing New type of Kobelion's screw unit under thorough & fundamental design

Load/Unload control in pursuit of reduction of energy loss
Adoption of Load/Unload control AG/SG series.
Much better energy saving performance at unloading time comparing with the one of suction throttling type.Stable air supply & energy saving backed up by reliable Load/Unload control thanks to the capacity control valve processed by a special anodized aluminum (Alumite)
Energy saving logic function for optional control
Possible to get maximum 6% of energy saving effect by Energy saving logic function,which could minimize excessive load operation for optimal control according to air usage status, installed in AG Series
No belt structure in all models in the class
Adoption of step up gear as drive system to minimize energy loss caused by belt drive system. Replacement & Adjustment of the belt is no need
Adoption of inverter cooling fan
Achieved supreme reduction of energy loss by inverter control cooling fan. Wasteful energy consumption is minimized  by the control of fan speed in proportion to the discharge air temperature. And, the durability is improved by stabilizing the temperature inside the compressor unit. in AG/SG Series the inverter cooling fan is available only for 55-75kW machine.
Technical improvements of basic performances
Achieved the Maximum level of discharge volume and high efficiency in this range all over the world by improving all parts of components of screw unit in Kobelion II


STANDARD SPECIFICATION

Like 0
Report
Favorite 0
Comment 0
Share 14
moreRelated Q&A
No questions and answers yet, click here to ask a question
Contact Information


Please Login or Register to view contact information